跳至主要內容
鱼头笔记
首页
编程语言
C/C++
java
python
安卓
linux
硬件
电路图设计
STM32
ESP
通信协议与电子元件
freertos
lvgl
u8g2
编译器
FOC
嵌入式Linux
嵌入式QT应用
数据结构和算法
科学基础知识
数学
物理
生物/化学
人工智能
基本示例
软件使用或安装
UI设计
项目案例
搜索
Ctrl
K
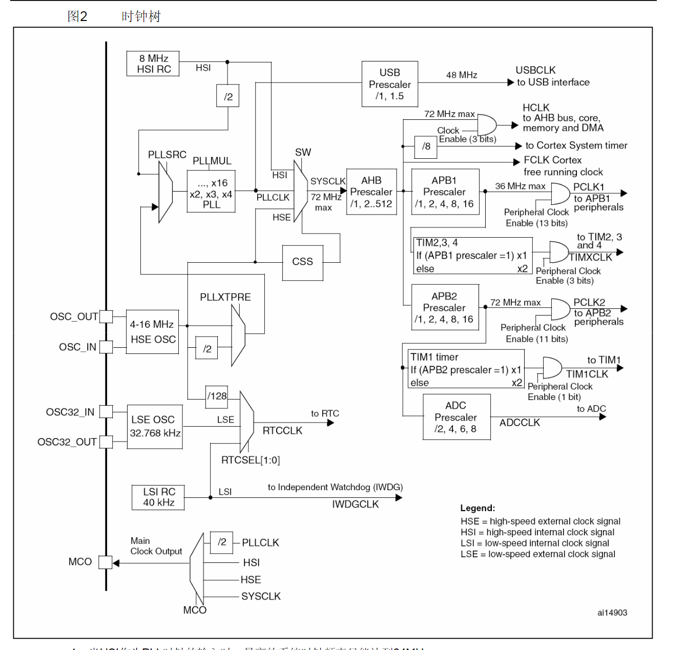
03.RCC时钟树
约 157 字
小于 1 分钟
#
资料
指南者资料
open in new window
参考手册地址
open in new window
RCC : 复位和时钟控制
#
时钟控制寄存器(RCC_CR)
#
时钟配置寄存器(RCC_CFGR)
#
时钟中断寄存器 (RCC_CIR)
#
APB2 外设复位寄存器 (RCC_APB2RSTR)
#
APB1 外设复位寄存器 (RCC_APB1RSTR)
#
AHB外设时钟使能寄存器 (RCC_AHBENR)
#
APB2 外设时钟使能寄存器(RCC_APB2ENR)
#
APB1 外设时钟使能寄存器(RCC_APB1ENR)
#
备份域控制寄存器 (RCC_BDCR)
#
控制/状态寄存器 (RCC_CSR)
上一页
02.开发环境搭建
下一页
03.STM32中断