跳至主要內容
鱼头笔记
首页
编程语言
C/C++
java
python
安卓
linux
硬件
电路图设计
STM32
ESP
通信协议与电子元件
freertos
lvgl
u8g2
编译器
FOC
嵌入式Linux
嵌入式QT应用
数据结构和算法
科学基础知识
数学
物理
生物/化学
人工智能
基本示例
软件使用或安装
UI设计
项目案例
搜索
Ctrl
K
01.foc原理
约 69 字
小于 1 分钟
#
foc原理
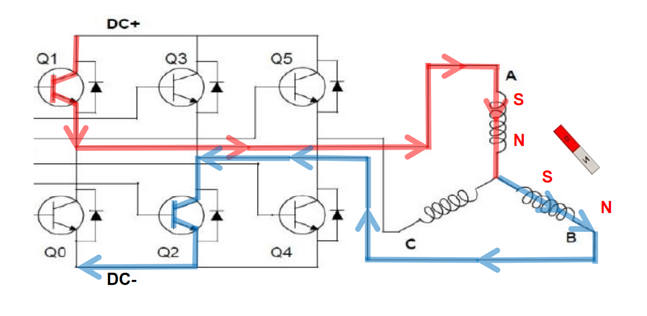
三相无刷电机: 6个mos管 6条控制线
无刷电机芯片: 驱动mos管工作,
死区:硬件死区、软件死区
#
FOC算法
#
电角度
电角度 = 机械角度 x 极对数